Reinforcement of Pre-stressed CFRP plate

Prestressed carbon fiber plate strengthening technology is a kind of active reinforcement technology applied to bridge and long-span beam and other flexural members. It is popular because of its advantages of not increasing self weight and unloading.

2020-03-25 10:55:41

Carbon fiber fabric

In view of durability and safety considerations, the raw material for structural reinforcement carbon cloth is polyacrylonitrile fiber (PAN).The unidirectional carbon fiber fabric used for structural reinforcement is easily soaked by adhesive and is generally used in 12K small tow knitting and 24K small tow knitting.

2020-03-25 10:51:15

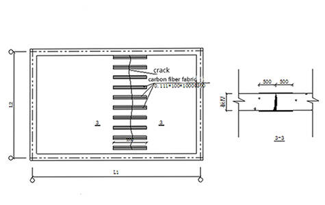
Strengthening technique with carbon fiber fabric

Unidirectional carbon fiber fabric is used for beam and slab flexural reinforcement, and beam, column, wall shear reinforcement, confined concrete for seismic strengthening of columns, also for crack repair and dynamic load member reinforcement, reinforcement and repair.

2020-03-25 10:44:49

Concrete structure unsuitable for carbon fiber strengthening

Carbon fiber reinforced polymer(CFRP) wrap can be successfully used for concrete structure, seismic shear and flexural strengthening. But it should be pointed out that because many inherent characteristics of CFRP reinforcement structure, many concrete structures are not suitable for strengthening with carbon fiber, so it is necessary to analyze their applicability.

2018-03-09 15:56:31

Carbon fiber reinforced polymer(CFRP) plate strengthening

1 layers of carbon fiber reinforced polymer(CFRP) laminate is equivalent to 4-8 layers of carbon fiber reinforced polymer(CFRP) fabric.Low cost,cost effective compared with other retrofitting method.Light weight, no influence to original structure

2018-03-07 15:50:20

Pre-stressed CFRP laminate improve the flexural rigidity

1.The prestressed CFRP plate makes the concrete(because of the crack is out of work) in the lower part become the effective section

2020-03-24 14:11:21

Prestressed CFRP laminate

The high strength properties of CFRP (carbon fiber reinforced polymer) can be brought into play in advance, and there will be greater strain before the two force, which can effectively reduce or even eliminate the phenomenon of CFRP sheet strain lag, and achieve better reinforcement effect.

2020-03-24 14:09:51

Good carbon fiber adhesive for bonding carbon fabric

Carbon fiber adhesive play a very important role for structural strengthening, so we need to be careful when choose.

2020-03-24 14:05:14

HM-120L crack injection adhesive---crack repair

HM-120L Crack Injection Adhesive operation process 1.crack inspection 2.crack treatments 3.embed pouring glue nozzle 4.seal crack 5.sealing check 6.prepare pouring crack adhesive 7.pour glue 8.conservation 9.examination and test

2020-05-29 09:50:38

Reinforcement of bridge with epoxy bonded steel plate

The bonding steel plate reinforcement method is to apply epoxy resin series adhesive on the steel plate, and then paste it into the weak part of the reinforced concrete structure's tensile area, the steel plate and the structure form the whole, and the additional reinforcing bar is added.

2020-03-24 13:40:32
Back
Top
Close